Tính năng CAESAR LF5257 – Chậu lavabo đặt bàn
- Chất liệu chất lượng: Chậu lavabo thường được làm từ chất liệu chống ẩm, chống thấm nước và dễ dàng vệ sinh như sứ, gốm, hoặc nhựa cao cấp.
- Thiết kế đặt bàn: Chậu lavabo này thường được thiết kế để đặt lên mặt bàn hoặc bề mặt đá, tạo một điểm nhấn thẩm mỹ cho không gian phòng tắm.
- Chức năng lưu trữ: Một số mẫu chậu lavabo đặt bàn có thể đi kèm với không gian dưới chậu để lưu trữ các vật dụng như xà phòng, kem đánh răng, khăn, v.v.
- Thiết kế thẩm mỹ: Chậu lavabo thường có thiết kế thẩm mỹ, phù hợp với không gian nội thất và trang trí phòng tắm.
- Kích thước đa dạng: Chậu lavabo đặt bàn thường có nhiều kích thước để bạn có thể lựa chọn phù hợp với không gian và nhu cầu sử dụng của mình.
- Dễ dàng lắp đặt: Chậu lavabo đặt bàn thường được thiết kế để lắp đặt dễ dàng và có thể thực hiện bởi người sử dụng hoặc thợ lắp đặt.
- Tương thích với vòi lavabo: Chậu lavabo đặt bàn thường đi kèm với lỗ thoát nước và lỗ lắp vòi lavabo.
- Độ bền cao: Chất liệu chất lượng giúp chậu lavabo đặt bàn có khả năng chống gỉ, chống ăn mòn và tuổi thọ cao.
Thông số kỹ thuật CAESAR LF5257 – Chậu lavabo đặt bàn
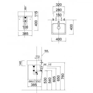
- Kích thước: 400x400x115mm
- Kiểu dáng: Lavabo treo tường
- Màu sắc: Trắng
- Bảo hành: Phần sứ 120 tháng, phụ kiện 24 tháng
- Xuất xứ: CAESAR chính hãng
Bản vẽ kích thước CAESAR LF5257 – Chậu lavabo đặt bàn

Hình ảnh, video thực tế CAESAR LF5257 – Chậu lavabo đặt bàn
Đang cập nhật…
















